Morso S120-22 Double Sided Insert Woodburning Stove
Morsø is renowned for its commitment to excellence and the use of robust materials. Morsø woodburners prove to be exceptionally well-suited for any type of residence, regardless of its size, layout, or construction.
The refined Danish design is just one element contributing to the distinctiveness of Morsø woodburners. All Morsø models are crafted from durable materials, ensuring they maintain their exceptional quality for many years. You have the option to select from our array of beautiful stoves, ready to stand as the focal point of your home for decades to come.
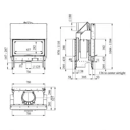
Morsø S120 is a through wall firebox with glass on both sides, allowing the flames, fire and warmth to be enjoyed in two separate areas at the same time.
The wide format of the stove will spread comfort through any home. The built in fireplace fits in perfectly with stylish furnishings, and the aesthetic effect of the flames inspires thoughts of a beautiful painting or a modern flat screen TV.
The Morsø 120 tunnel insert fireplace is supplied with a frictionless guillotine door.
Accessories
3 pcs. 455 mm Morsø Heating Grilles are needed
– two above and one below.
Eco Design Ready
Energy Performance Labelling A*
Rated Output 10 kw
Operating Output 5-14Â kw
Efficiency 80.1%
Convection System
Pre-heated combustion air
Airwash system
Fuel type Wood
Construction Steel
Height 1125-1325 mm
Width 800 mm
Depth 537 mm
Flue Diameter 150 mm
Flue Outlet Top only
Weight 129kg







